Ваш заказ 0 товаров Оплата и доставка
КОРЗИНА
Минск ул.Восточная 133, офис 203
Тел./факс (17)361-16-26
Cклад: д. Лесковка, ул. Совхозная, 7
Розница +375(17)516-11-20
Розница +375(29)159-60-06

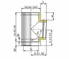
Двустенная утеплённая система дымоходов KD

Сэндвич труба для дымохода состоит из прямых участков трубы и фасонных элементов. Внутренний контур-это нержавеющая кислотостойкая нержавеющая либо оцинкованная сталь, наружный-атмосферостойкая нержавеющая либо оцинкованная сталь (возможны цвета RAL). Между металлическими контурами жаростойкий утеплитель. Является готовой системой дымохода/газохода, в котором предусмотренны агрессивные условия эксплуатации с минимизацией образования и отводом конденсата. В системе учтены линейные расширения, безопасность по плотности соединений и по температуре наружного контура. Система позволяет в кратчайшие сроки решить вопросы дымоудаления на объектах любой сложности. Узнать цену и купить сэндвич трубу для дымохода можно в нашем интернет-магазине либо в наших офлайн магазинах в Минске или других городах.

Товары